Ищем поломку своими руками
Первичную диагностику можно провести контрольной лампочкой, но для проверки состояния цепи потребуется тестер. Если вы знаете, то в режиме измерения сопротивления сможете самостоятельно «прозвонить» проводку на предмет обрыва.
Если при включении правого/левого поворотника вы отчетливо слышите щелканье реле, проверьте сопротивление участка цепи с подрулевым переключателем. Если не работает только левая либо права сторона, причина точно в переключателе или в проводке цепи от него к лампочкам.
Если реле указателей поворотов не щелкает совсем, проверьте состояние контактов, плюсовой провод и массу. Если после включения зажигания к реле не приходит «+», проблема, скорее всего, в участке цепи от монтажного блока к реле.
Подрулевой переключатель
Причина неисправности может быть как в механическом повреждении пластмассовых либо контактных элементов, так и в образование нагара. В процессе работы поворотников контакты могут подгорать, из-за чего увеличивается сопротивление и падает сила тока в цепи. При этом характерно, что в случае окислов, нагара реле указателей может щелкать, но лампы загораться не будут.
Для ремонта подрулевой переключатель нужно будет снять с рулевой колонки и разобрать. Внутри корпуса располагается множество контактных площадок, поэтому для беспроблемной сборки запоминайте расположение всех подвижных элементов.
Где находится и как проверить реле поворотников
Реле указателей поворотов находится в монтажном блоке предохранителей в салоне либо под капотом. Точное месторасположение вы можете узнать из руководства по ремонту и эксплуатации вашего автомобиля. Часто с внутренней стороны монтажного блока графически изображено предназначение реле, предохранителей.
Отпаивание элементов со схемы, микротрещины в местах пайки, выход из строя главной микросхемы – наиболее распространенные причины неисправности указателей поворотов.
Аварийка
Кнопка аварийки имитирует подрулевой переключатель поворотов, но замыкает сразу оба контакты (на правую и левую сторону). На видео показано устройство и принцип работы простейшей системы, аналоги которой используются не только на автомобилях ВАЗ.
Не работать могут как один указатель поворота («поворотник»), так и два, или сразу все и т. д., в разных сочетаниях.
Причины неисправности указателей поворота
1. Не работает один указатель поворота (передний, либо задний).
Перегорела лампочка
При перегорании лампочки в одном или нескольких указателях поворота на автомобилях ВАЗ 2108, 2109, 21099 оставшиеся начинают мигать с удвоенной частотой. Визуально устанавливаем где перегорела лампочка, по очереди включая указатели поворота. Лампочку заменяем исправной.
Окислился патрон лампочки
Несколько раз поворачиваем лампочку в патроне для восстановления контакта.
Окислились или ослабли соединения проводов
Проверяем патроны и колодки передних поворотников (в передних блок-фарах и на крыльях) и соединительные колодки задних фонарей автомобиля.
Пропала «масса»
Все фонари и лампы автомобилей ВАЗ 2108, 2109, 21099 имеют минусовой провод, поэтому следует проверить его контакт с «массой».
Перегорела дорожка в платах задних фонарей
2. Не работают два задних повторителя, либо два передних.
Четыре первых причины,
перегорели лампочки, окислились их патроны, окислились контакты в соединительных колодках указателей поворота (на блок фарах и «поворотниках» на крыльях), пропала «масса».
Обрыв в проводах, идущих от монтажного блока к задним фонарям
— В ряде случаев одновременно все указатели поворота могут гореть постоянным светом не моргая. В таком случае необходимо заменить реле-прерыватель указателей поворота в монтажном блоке.
В интернете очень часто проскакивают такие запросы от новичков: «почему не работают поворотники?» – на этот вопрос у нас есть ответ. Сегодня мы будем рассматривать основные неисправности, из-за которых не работают поворотники на Вашем автомобиле.
Зачастую, ремонт поворотников – это очень просто, главное найти истинную причину неисправности. Первым делом рекомендую Вам посмотреть видео, где рассказывают как определить неисправность.
Видео. Не работают поворотники
Напомним, что в предыдущей статье мы рассматривали своими руками. Выполнить данную операцию можно в гаражных условиях, не забудьте подготовить большое количество емкостей для тосола или антифриза.
Основные неисправности поворотников
Не мигают поворотники
Когда на Вашем автомобили перестали мигать поворотники, скорей всего причина таится в самом реле поворотного механизма. Причиной неисправности может быть простая вода, которая его залила или где-то прерывается контакт. Рекомендуем заменить его.
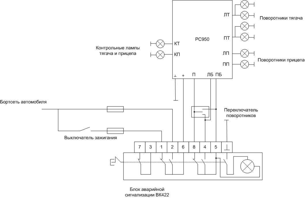
Схемы подключения поворотников на автомобиле
У первых массовых автомобилей СССР, а также у иномарок тех лет выпуска, система переключения поворотников строилась на электромагнитнотепловых реле РС57 или аналогичных. Такое реле включается в разрыв провода, идущего к фонарям поворотников. Лампы (на легковом автомобиле их устанавливается 6 штук) соединяются параллельно в две группы из трех светильников. В состав реле входит термочувствительный элемент, который включается последовательно с нитями ламп. Через эту цепь идет ток, нагревающий нихромовую нить, которая циклически удлиняется при нагреве и укорачивается при остывании. Тем самым обеспечивается регулярное замыкание и размыкание цепи питания фонарей. Если одна лампа перегорает, то ток уменьшается, частота мигания увеличивается. Это служит индикацией выхода из строя осветительного прибора.

Реле-прерыватель РС57.
Также имеется возможность подключения контрольной лампы. Она устанавливается на панели приборов и повторяет состояние фонарей поворотников. По тому же принципу действует реле РС410, но у него нет отдельного выхода на контрольную лампу.
Схема подключения РС57.
Недостатком прерывателя является короткий срок службы и высокий уровень нагрева при работе. Поэтому реле неспособно к длительному включению, и построить на нем аварийную сигнализацию нельзя – прибор быстро выйдет из строя. Поэтому в более современных автомобилях применяется электронное реле — РС590 или его аналоги. Выпускалось несколько модификаций этого прибора.
| Реле | Особенность применения |
|---|---|
| РС590 | Для автомобилей с прицепом |
| РС590Б | Для автомобилей без боковых повторителей поворотников |
| РС590К | Для автомобилей без прицепа |
| РС590Е | Для автомобилей «Москвич-2140» с двухрежимной сигнализацией – при включении габаритов (в темное время суток) яркость поворотников уменьшалась |
| РС590И | Для автомобилей «Москвич-2140» с двухрежимной сигнализацией и прицепом |
| РС590П | Для прицепов |
Реле-прерыватель РС590.
Также выпускалась серия реле РС951 для автомобилей с бортсетью 24 вольта.
Схема включения РС590.
С развитием ассортимента электронных компонентов, реле поворота стали строиться на новой базе, и количество разновидностей лавинообразно выросло. Так, один из справочников по устройству и ремонту электронных приборов автомобилей, изданный в 2003 году, содержит более 30 типов прерывателей. Структурная схема их одинакова:
- задающий генератор;
- усилитель можности (реле или транзистор);
- сервисные схемы (контроль состояния ламп и т.д.).
Подключаются к бортсети все устройства через блоки аварийной сигнализации. Сформированные импульсы через переключатель сигналов поворота поступают на лампы. Для примера приведена схема поворотников на реле 495.3747 в схеме автомобиля ВАЗ-2110.

Схема управления указателей поворотов автомобиля ВАЗ-2110 на базе прерывателя 495.3747.
Прерыватель выполнен на базе микросхемы УР1101ХП32 (полный аналог ASXP193, функциональный аналог U2043 фирмы ТЕМ1С).

Реле-прерыватель 495.3747.
Схема подключения поворотников через электронное реле меняется от автомобиля к автомобилю, для проверки работоспособности и замены неисправных элементов надо анализировать устройство электрооборудования конкретной машины.
Для чего нужен прерыватель указателей поворота?
ПДД указывают на то, что каждый водитель, планируя совершить тот или иной маневр, обязан уведомлять других шоферов о своих намерениях. Когда-то в далекие времена, когда автомобили еще были диковинкой, подобные уведомления подавались левой рукой (при правостороннем движении). Если рука была вытянута, это означало желание водителя повернуть влево, когда она была согнута, а пальцы направлены вверх – направо.
Сигнал об изменении движения
Автомобили стали оборудоваться световыми указателями поворотов, которые для привлечения внимания должны были пульсировать. Чтобы приборы не светили постоянно, а периодически мигали, было изобретено небольшое устройство, которое впоследствии стало называться прерывателем указателей или поворотным реле. Несмотря на довольно большое наличие разновидностей упомянутого устройства, функции их сходны: подача пульсирующего импульса лампам поворотников и сигнализация щелчками о том, что они включены.
















































