Что такое сцепление?
Сцепление (или как его еще называют «фрикционная муфта») ― это механизм автомобиля, который соединяет двигатель с трансмиссией и время от времени дает возможность рассоединять их при переключении передачи, торможения или же во время остановки. Основное задание сцепления ― это фрикционное взаимодействие дисков, которые располагаются на обоих валах.
Еще одной функцией, которую исполняет сцепление ― это возможность плавно трогать с места автомобиль. Постольку поскольку вал двигателя вращается, а вал трансмиссии пребывает в фиксированном неподвижном положении, начало движения машины без сцепления невозможно, так как оно помогает валам плавно притереться друг к другу, и в то же время обеспечивает плавное ускорение оборотов, которое обеспечивают валы, и наконец-то привести в движение автомобиль.
Если же случайно (или не случайно) слишком быстро и резко рассоединить те двое валов, то неподвижный вал трансмиссии заклинит вращающийся вал двигателя и Ваш автомобиль просто-напросто заглохнет (в лучшем случае), или же в механизме сцепления будут поломки, на которые понадобятся немалые материальные затраты. В основном, на современных автомобилях устанавливается механические сцепления.
ПРИВОД ВЫКЛЮЧЕНИЯ СЦЕПЛЕНИЯ
Дальнейшее изучение автомобиля невозможно без понимания термина — привод. Попробуем с ним разобраться.
Когда в автомобиле надо передать усилие, допустим от водителя к некому механизму, то могут возникнуть проблемы. Для того чтобы автомобиль исправно работал, а водитель находился на своем месте, существует привод механизмов.
Представьте ситуацию, когда вам необходимо постоянно что-то закрывать и открывать, а сами вы передвигаться не можете. Для передачи усилия на расстоянии по «открыванию» и «закрыванию» двери, вам придется применить палку или дистанционное управление. Пусть это будет палка, привязанная веревками одним концом к вашей руке, а другим к ручке двери. В этом случае, палка с веревками будут являться «приводом», который передаст усилие на расстоянии.
В автомобиле каждый механизм имеет свой привод, посредством которого он приводится в действие. Привод может состоять из большого количества отдельных узлов и деталей, может быть механическим, гидравлическим.
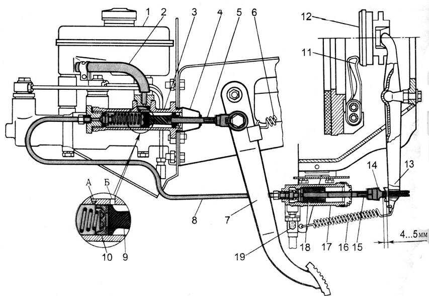
Схема гидравлического привода выключения сцепления и механизма сцепления
1 — коленчатый вал; 2 — маховик; 3 — ведомый диск; 4 — нажимной диск; 5 — кожух сцепления; 6 — нажимные пружины; 7 — отжимные рычаги; 8 — нажимной подшипник; 9 — вилка выключения сцепления; 10 — рабочий цилиндр; 11 — трубопровод; 12 — главный цилиндр; 13 — педаль сцепления; 14 — картер сцепления; 15 — шестерня первичного вала; 16 — картер коробки передач; 17 — первичный вал коробки передач.
Привод выключения сцепления (гидравлического типа)
- педали,
- главного цилиндра,
- рабочего цилиндра,
- вилки выключения сцепления,
- нажимного подшипника,
- трубопроводов.
При нажатии на педаль сцепления, усилие ноги водителя, через шток и поршень, передается жидкости, которая передает давление от поршня главного цилиндра на поршень рабочего. Далее шток рабочего цилиндра перемещает вилку выключения сцепления и нажимной подшипник, который передает усилие на механизм сцепления. Когда водитель отпустит педаль, то под воздействием возвратных пружин все детали привода займут исходные позиции.
В гидравлическом приводе сцепления применяется тормозная жидкость. Перед тем как заливать ее в бачок привода, стоит прочитать, что написано на этикетке. А разрешается ли ее смешивать с жидкостью, которая уже залита в гидроприводе сцепления автомобиля? Как правило, ответ бывает положительным, но существуют жидкости, которые не подлежат смешиванию.
На переднеприводных автомобилях используется механический привод, где педаль сцепления связана с вилкой выключения с помощью металлического троса.
Устройство гидравлического привода
При таком конструктивном решении усилие передаётся уже другим способом. Схема гидравлического привода не предполагает наличие троса, реализация механизма с данным типом управления немного сложнее и трос заменяет гидравлическая магистраль. Усилие передаётся посредством несжимаемой жидкости, проходящей по магистрали и поскольку гидропривод аналогичен тому, что применяется в тормозной системе, для работы используют ту же жидкость. Устройство сцепления с управлением с помощью гидравлического привода включает следующие элементы:
- Педаль.
- Главный цилиндр, состоящий из поршня с толкателем, резервуара для жидкости и уплотнительных манжет.
- Рабочий цилиндр имеет похожую конструкцию.
- Магистраль, соединяющая цилиндры.
- Бачок с жидкостью.
- Дополнительно цилиндры оснащаются клапанами для отвода воздуха из системы.
Принцип работы достаточно простой и схож с механическим вариантом управления, отличие только в методе передачи усилия. Когда автомобилист жмёт на ножной рычаг в салоне автомашины, поршень главного цилиндра приводится в движение, жидкость сжимается и под давлением перемещается по трубопроводу в рабочий цилиндр, толкая поршень, что задействует вилку выключения сцепления.

Гидравлический привод может быть также оборудован демпфирующим устройством с целью гашения колебаний от взаимодействия выжимного подшипника с деталями выключения сцепления. Пневматические или гидравлические усилители часто используются для грузового транспорта.
Поскольку механизм с гидравлическим приводом является более совершенным и сложным устройством, передающим усилие на дальнее расстояние с высоким КПД, стоимость его выше, при этом он отличается плавностью включения сцепления, что обусловлено сопротивлением перемещению жидкости в элементах конструкции. Среди преимуществ гидропривода также устойчивость к износу деталей, но и ремонт сложнее, чем в случае с механическим устройством.
Заключение
Механический и гидравлический приводы наделены своими особенностями функционирования, плюсами и минусами применения, при этом устройства этих типов обеспечивают комфорт управления транспортным средством. В легковых машинах жёсткость диафрагменной пружины нажимного диска небольшая, так что водителю не нужно прилагать больших усилий, но на грузовиках узел габаритнее, и чтобы привести в действие корзину, от водителя потребуется большее усилие, поэтому в конструкцию вводят усилители.
По типу управления

Гидравлический механизм в демонтированном виде В этом разделе подробно описаны типы сцепления по принципу работы и методам управления.
На сегодняшний день демпферное двойное сцепление автомобиля может отличаться от других типов по способу управления:
- С механическим приводом. Такой механизм обычно устанавливается на небольшие легковые машины. Основными плюсами его использования являются низкая цена и простота устройства. Важным компонентом демпферного сцепления автомобиля является тросик, выполняющий функцию соединения вилки и педали. Когда выжимается педаль, усилие посредством тросика передается на передачу. Такие приводы оборудуются механизмом, дающим возможность регулировать свободный ход педали, в частности, речь идет о регулировочной гайке.
- Демпферное устройство с гидравлическим приводом. В роли расходного вещества в данном случае выступает тормозная жидкость. Устройство гидравлики следующее — сама педаль, цилиндры, расширительный бачок, соединительные патрубки. Когда нажимается педаль, поршень основного цилиндра будет перемещаться с помощью толкателя, в результате чего «тормозуха» отходит от бачка и попадает в рабочий цилиндрик по патрубкам. Под воздействием тормозного материала осуществляется движение поршнем. Для ликвидации воздушных пробок системы оснащаются специализированными штуцерами.
- Принцип работы электрического механизма основан на добавлении в систему электромагнитного элемента. Процесс передачи энергии производится за счет электромагнитных сил.
- Комбинированное. Данный фрикционный механизм системы позволит обеспечить оперативное включение и отключение элемента с наименьшей скоростью вращения. Дальнейший рост крутящего момента осуществляется с применением гидродинамической передачи.
- С усилителем и без него.
- Демпферные системы автомобиля, различающиеся по типу создания усилия — при помощи пружин либо электромагнита.
- Не автоматические устройства, как правило, с воздействием водителя на педаль, могут быть оснащены усилителем или нет.
- Полуавтоматические, такие узлы обычно подают сигнал, когда меняется положение педали либо селектора коробки.
- Автоматические.
Требования к конструкции
К сцеплению автомобиля, как известно, предъявляются определенные требования, оно должно обеспечивать:
- беспроблемное, а главное — плавное включение, что позволяет снизить уровень нагрузок на коробку передач и улучшить динамику в целом;
- полное выключение в деактивированном положении, это позволит снизить вероятность того, что автомобиль поведет, соответственно снизится вероятность опасной остановки ДВС;
- надежное включение при активированном положении, что способствует снижению вероятности пробуксовки;
- оптимальный отвод тепла, соответственно, вашему транспортному средству не будут грозить проблемы с перегревом устройства;
- долгий срок эксплуатации и износостойкость поверхностей трущихся элементов;
- комфорт в плане управления и удобство.
Помимо этого, данные механизмы, как и другие узлы транспортного средства, должны обладать такими параметрами, как обеспечение наиболее оптимальных габаритов и небольшого веса. Устройство должно быть максимально надежным и технологичным, обладать высоким сроком эксплуатации.
Загрузка …
Сцепление автомобиля состоит из следующих элементов:
• кожуха сцепления, ведущего (нажимного) диска; • тонкого ведомого диска с фрикционными накладками и гасителем крутильных колебаний;
• нажимного механизма — нажимного (ведущего) диска, периферийно расположенных цилиндрических пружин или одной центральной диафрагменной пружины;
• механизма включения сцепления — оттяжных пальцев, рычагов выключения (четыре или три), муфты выключения с упорным шариковым подшипником (графитовым подшипником);
• привода выключения сцепления — системы тяг и рычагов, вилки выключения (гидравлического привода выключения сцепления);
• усилителя выключения сцепления — пневматического или пневмо-гидравлического (для грузовых автомобилей).

Сцепление автомобиля: а — однодисковое; б — двухдисковое; 1 — коленчатый вал двигателя; 2 — маховик; 3 — ведомый диск с фрикционными накладками; 4 — нажимной диск; 5 — картер сцепления; 6 — кожух сцепления; 7 — оттяжной палец; 8 — опора оттяжного рычага; 9 — оттяжной рычаг, 10 — муфта выключения сцепления; 11 — ведущий вал коробки передач; 12 — педаль; 13 — тяга; 14 — вилка выключения; 15 — оттяжная пружина; 16 — нажимная пружина; 77— направляющий палец; 18 — роликовый подшипник; 19 — отжимная пружина промежуточного диска; 20 — регулировочный болт промежуточного диска; 21 — нажимной ведущий диск; 22 — задний ведомый диск; 23 — промежуточный ведущий диск; 24 — передний ведомый диск.
По числу ведомых дисков фрикционные сцепления делятся на одно- и двухдисковые. Двухдисковые сцепления устанавливаются на грузовых автомобилях для передачи большого крутящего момента.
При включенном сцеплении автомобиля крутящий момент передается от коленчатого вала на маховик, затем на кожух сцепления и через пластинчатые пружины на ведущий (нажимной) диск. На автомобиле ГАЗ-53 имеются квадратные окна в кожухе сцепления, куда входят приливы крепления рычагов выключения сцепления, на автомобилях марки «КамАЗ» и «МАЗ» на маховике выполнены пазы, в которые входят приливы на ведущих дисках. От маховика и ведущего нажимного диска, благодаря силам трения, крутящий момент передается зажатому между ними ведомому диску, ступица которого имеет шлицевое соединение с ведущим валом коробки передач.Для выключения сцепления автомобиля нажимают на педаль, которая через систему тяг и рычагов передает усилие на вилку, муфту, рычаги и пальцы отводят назад ведущий нажимной диск. При этом пружины сжимаются и освобождают ведомый диск, по обеим сторонам которого образуются зазоры. В двухдисковом сцеплении для обеспечения необходимых зазоров между ведущими и ведомыми дисками в выключенном состоянии имеются отжимные пружины и регулировочный болт промежуточного диска. При плавном отпускании педали нажимные пружины возвращают все детали механизма выключения в исходное положение, ведомый диск прижимается к ведущему (нажимному) диску и маховику.
Привод сцепления и его виды
Привод предназначен для дистанционного управления сцеплением непосредственно водителем из салона. Нажатие на педаль сцепления напрямую воздействует на нажимной диск.
Известны следующие виды привода:
- механический;
- гидравлический;
- электрогидравлический;
- пневмогидравлический.
Наибольшее распространение получили первые два вида. На грузовиках и автобусах используется пневмогидравлический привод. Электрогидравлический устанавливают в машинах с роботизированной коробкой передач.
В некоторых автомобилях для облегчения управления применяется пневматический или вакуумный усилитель привода.
Механический привод
Механический или тросовый привод отличается простой конструкцией и невысокой ценой. Он неприхотлив в обслуживании и состоит из минимального количества элементов. Механический привод устанавливается в легковых и малотоннажных грузовых автомобилях.
Механический привод сцепления
К элементам механического привода относятся:
- трос сцепления;
- педаль сцепления;
- вилка выключения сцепления;
- выжимной подшипник;
- механизм регулировки.
Трос сцепления, заключенный в оболочку, является основным элементом привода. Трос сцепления крепится к вилке, а также к педали, находящейся в салоне автомобиля. В момент выжимания педали водителем действие через трос передается на вилку и выжимной подшипник. В результате происходит разъединение маховика двигателя с трансмиссией и, соответственно, выключение сцепления.
В соединении троса и рычажного привода предусмотрен регулировочный механизм, обеспечивающий свободный ход педали сцепления.
Ход педали сцепления представляет собой свободное перемещение до момента срабатывания привода. Расстояние, пройденное педалью без особого усилия водителя при нажатии, и есть свободный ход.
Если переключение передач сопровождается шумом, а в начале движения наблюдаются небольшие рывки автомобиля, то необходима регулировка хода педали.
Зазор в сцеплении должен находиться в пределах 35-50 мм свободного хода педали. Нормативы этих показателей указаны в технической документации автомобиля. Регулировка хода педали осуществляется путем изменения длины тяги с помощью регулировочной гайки.
В грузовых автомобилях используется не тросовый, а рычажный механический привод.
К плюсам механического привода относятся:
- простота устройства;
- невысокая стоимость;
- надежность в эксплуатации.
Главным минусом считается более низкий КПД по сравнению с гидроприводом.
Гидравлический привод сцепления
Гидропривод имеет более сложную конструкцию. К его элементам, помимо выжимного подшипника, вилки и педали, относится также гидравлическая магистраль, которая заменяет трос сцепления.
Схема гидравлического сцепления
По сути эта магистраль аналогична гидроприводу тормозной системы и состоит из следующих элементов:
- главный цилиндр сцепления;
- рабочий цилиндр сцепления;
- бачок и трубопровод с тормозной жидкостью.
Устройство главного цилиндра сцепления напоминает устройство главного тормозного цилиндра. Главный цилиндр сцепления состоит из поршня с толкателем, расположенных одном в корпусе. Также к его элементам относятся резервуар для жидкости и уплотнительные манжеты.
Рабочий цилиндр сцепления, имеющий схожую с главным цилиндром конструкцию, дополнительно оснащен клапаном для удаления воздуха из системы.
Механизм действия гидропривода такой же, как и у механического, только усилие передается с помощью находящейся в трубопроводе жидкости, а не через трос.
Во время нажатия водителем на педаль усилие через шток передается на главный цилиндр сцепления. Затем за счет несжимаемого свойства жидкости в действие приводятся рабочий цилиндр сцепления и рычаг привода выжимного подшипника.
В качестве плюсов гидропривода можно выделить следующие его особенности:
- гидравлическое сцепление позволяет передавать усилие на значительное расстояние с высоким КПД;
- сопротивление перетеканию жидкости в элементах гидропривода способствует плавному включению сцепления.
Главный минус гидропривода – более сложный ремонт по сравнению с механическим. Течь рабочей жидкости и попадание в систему гидропривода воздуха — вот, пожалуй, наиболее распространенные поломки, которыми могут «похвастаться» главный и рабочий цилиндры сцепления.
Гидропривод применяется в легковых автомобилях, а также на грузовых автомобилях с опрокидывающейся кабиной.
По числу ведомых дисков

Многодисковый механизм сцепления Системы также различаются между собой по количеству ведомых шкивов:
- Однодисковые элементы обычно устанавливаются на легковых и грузовых транспортных средствах, где передающихся вращающий момент варьируется в районе 0.7-0.8 кНм. Подробное устройство системы можно увидеть на фото.
- Что касается двухдисковых компонентов, то их эксплуатация актуальна в транспортных средствах с высоким крутящим моментом.
- Если говорить и многодисковых системах, то они могут быть сухими либо мокрыми. В любом случае, они используются в специализированных механизмах, к примеру, коробках-автомат, предохранительных муфтах и так далее.
