Принцип действия индукционного генератора
Принцип действия индукционного генератора основан на законе электромагнитной индукции — индуцирование электродвижущей силы в прямоугольном контуре (проволочной рамке), находящейся в однородном вращающемся магнитном поле, или наоборот, прямоугольный контур вращается в однородном неподвижном магнитном поле. Если в контуре вращается однородное магнитное поле с равномерной угловой скоростью, то в нем индуктируется синусоидальная электродвижущая сила.
Индукционный генератор переменного тока
Это электрическая машина, преобразующая механическую энергию в электрическую энергию переменного тока, например, за счет вращения проволочной катушки в магнитном поле, или, наоборот, за счет вращения магнита. До тех пор, пока силовые линии магнитного поля пересекают проводящую катушку, в ней индуцируется электрический ток. Индуцированный электрический ток течет таким образом, что его поле отталкивает магнит, когда рамка приближается к нему, и притягивает, когда рамка удаляется. Каждый раз, когда рамка изменяет ориентацию относительно полюсов магнита, электрический ток также изменяет свое направление на противоположное. Все то время, пока источник механической энергии вращает проводник (или магнитное поле), генератор будет вырабатывать переменный электрический ток.
Устройство индукционного генератора
По конструкции выделяют генераторы:
- с неподвижными магнитными полюсами и вращающимся якорем,
- с вращающимися магнитными полюсами и неподвижным статором.
Генераторы с неподвижными магнитными полюсами используются чаще, поскольку при неподвижной статорной обмотке нет необходимости снимать с помощью скользящих контактов (щеток) и контактных колец с ротора большой ток высокого напряжения. Статор (неподвижная часть) собирается из отдельных железных листов, изолированных друг от друга, а на внутренней поверхности статора имеются пазы, куда вкладываются провода статорной обмотки генератора. Ротор (подвижная часть) обычно изготавливают из сплошного железа, а полюсные наконечники магнитных полюсов ротора собирают из листового железа. Для создания максимально возможной магнитной индукции при вращении между статором и полюсными наконечниками ротора желателен минимальный зазор, а геометрическую форму полюсных наконечников подбирают такой, чтобы вырабатываемый генератором ток был наиболее близок к синусоидальному. На сердечники полюсов садят катушки возбуждения, питаемые постоянным током, который подводится с помощью щеток к контактным кольцам, расположенным на валу генератора.
Электромеханический индукционный генератор
Магнитное поле в электромеханическом генераторе создается с помощью постоянного или электромагнита, переменная электродвижущая сила индуцируется в обмотке. В промышленных генераторах поле создается вращающимся магнитом, обмотки остаются неподвижными.
Генератор индукционного тока
Генераторы индукционного тока имеют широкую область применения: чаще всего их используют в местах, в которых требуется непрерывная подача электроэнергии, таких как медицинские учреждения, морозильные склады и т.п. также такие генераторы могут быть востребованы на строительных площадках и для электрификации загородных домов.
Генератор индукционного нагрева
Индукционный нагрев — это нагревание электропроводящих материалов электрическими токами, которые индуцируются переменным магнитным полем. Генераторы индукционного нагрева применяются для:
- нагрева заготовок из магнитных материалов, в том числе для гибки и термообработки деталей,
- термической обработки мелких и хрупких деталей,
- поверхностной закалки изделий,
- плавки, сварки и пайки металлов,
- обеззараживания медицинского инструмента.
1.7 Вентильные машины
На небольших
самолетах и вертолетах с системой постоянного тока низкого напряжения в
качестве основных источников применяются синхронные генераторы, работающие на
сеть постоянного тока через выпрямитель, – так называемые вентильные
генераторы (генераторы с встроенным и выпрямителями). Они более просты по
конструкции, более надежны, имеют большой срок службы и требуют меньшего ухода
в эксплуатации по сравнению с коллекторными генераторами постоянного тока.
Важнейшим
специальным требованием к вентильным генераторам является низкий уровень
пульсации выпрямленного напряжения –не выше 8%. Основные характеристики
вентильного генератора – амплитуда и частота пульсаций напряжения, длительность
коммутационных процессов в выпрямителе, соотношения между выпрямленными
напряжением Ud и
током Id, напряжением и током
генератора, величина расчетной мощности генератора и потерь в нем зависят как
от параметров генератора, так и от параметров выпрямителя.
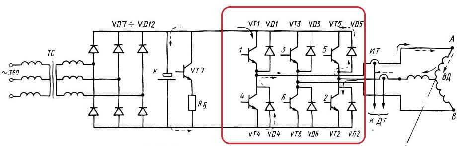
Вентильный
генератор – это бесконтактный синхронный генератор со встроенным
полупроводниковым выпрямительным блоком, который преобразует переменный ток
якорной обмотки в постоянный ток, снимаемый с зажимов генератора.

Рисунок
13 – Схема вентильного генератора
Выпрямительный блок собирается на кремниевых диодах
и крепится на статоре так, чтобы его можно было интенсивно охлаждать.
Кремниевые диоды (типа таблеточных тиристоров) обычно
соединяются по трехфазной двухполупериодной схеме (рисунок 13а) или по
шестифазной однополупериодной схеме (рисунок 13б).
Достоинствами трехфазной схемы (схемы Ларионова) являются:
1. примерное равенство мощности выпрямленного тока и расчетной мощности БСГ,
относительно малая величина пульсации выпрямленного тока; 2. расширение
функциональных возможностей и уменьшение массы и габаритов электромеханической
части; 3. схема обычно применяется в системах относительно большой мощности.
Шестифазная однополупериодная схема имеет худшие
электрические характеристики, чем трехфазная (мощность БСГ должна почти вдвое
превышать мощность выпрямленного тока.), но она обеспечивает меньший ток через
диод и повышенную надежность. Такая схема применяется в системах небольшой мощности.
Отечественной промышленностью освоен выпуск вентильных генераторов мощностью
9 12 и 24 кВт на базе БСГ с вращающимся выпрямителем.
Применение
Вентильные двигатели применяются во всех сферах, где требуется регулировать скорость вращения рабочего элемента. Такие синхронные приводы имеют точное позиционирование и применяются для компьютерной техники, устройств привода, винчестера, куллеров обдува и т.д.

Помимо этого он используется в робототехнике, строительстве спутников, летательных аппаратов. Для бытовой техники, в устройствах автомобилестроения, в медицинской сфере. Также нашел широкое применение в станочном оборудовании, горнодобывающих машинах, используется в компрессорных установках и насосных станциях.
Источник
Схема подключения
Для ввода в эксплуатацию однофазного генератора необходимо придерживаться нескольких правил, особенно если устройство подключается к жилому дому своими руками.
Генератор в процессе установки необходимо защищать от влаги. При монтаже следует устранить выхлопы газа путем их отвода. При максимальных нагрузках можно использовать резервный источник. Для уменьшения затрат необходимо подбирать корректную схему монтажа. Обычно электрогенератор устанавливается после счетчика. Если существует нестабильная подача электрической энергии, нужно выбирать наиболее простые схемы.


Присоединение к распределительному автомату, если рядом есть рабочая заземленная розетка, будет оптимальным вариантом. Наличие трехпозиционного стационарного переключателя позволит подключить электрооборудование и не отсоединять провода от его зажимов. Ток по цепи может проходить от различных веток, при этом подключение нагрузки возможно лишь к одной. В целях исключения контактов проводов рекомендуется установить нейтральное положение. Однофазный генератор обладает собственным нолем, поэтому переключатель должен быть соответствующим.

При самостоятельном подключении нужно учитывать показатель мощности, типы потребителей энергии и двигателя. Однофазный генератор рекомендован для подсоединения приборов, которые рассчитаны на производительность от сети 220 вольт. Генерируемая таким устройством энергия в 10-15 киловатт позволит максимально покрыть потребности электроснабжения стандартного загородного дома. При этом вычисляется нужная мощность установки и общее домовое потребление электроэнергии при пиковой нагрузке.

Далее смотрите видеоурок о том, как подключить генератор к сети.
Как сделать МГД-генератор своими руками
Давайте рассмотрим вопрос, можно ли сделать МГД генератор своими руками? В принципе, ничего сложного нет, ведь теоретически схема и технология работы установки известна. Вот самый простой МГД генератор.

Для его изготовления потребуется плексигласовый брусок прямоугольного сечения вот с такими размерами: 120х26х18 миллиметров. В бруске необходимо сделать сквозное отверстие диаметром 12 мм. Внутрь отверстия устанавливаются две пластинки или из меди, или из латуни
Обратите внимание, что сечение полосок должно быть сегментным. Они соединяются клеммами
С двух сторон к бруску необходимо подсоединить ниппели из алюминия. К ним будут присоединяться резиновые шланги. По граням бруска приклеиваются цилиндры из плексигласа, на которые будут надеты магниты диаметром 20 мм. Все, вот такая нехитрая конструкция. Этот МГД генератор позволяет проводить забавные опыты с магнитной индукцией и электродвижущей силой. Все будет зависеть от числа прикрепленных магнитов, уменьшая или увеличивая их, можно изменять скорость движения ионов, изменять заряды, количество и так далее.
Устройство и принцип работы
Понять, как происходит такое преобразование, можно глядя на простейшую модель генератора. Его работа основана на принципе возникновения ЭДС — электродвижущей силы. Коротко сформулировать суть этого явления можно так, если замкнутая рамка пересекает магнитное поле, в ней возникает (наводится) электрический ток. Чтобы «снять» ток с рамки, используют специальное устройство ‒ щеточный узел. На концах рамки сделаны кольца, которые соприкасаются с токосъёмными контактами (щетками). Щетки, за счет силы упругости пружин, плотно прилегают к кольцам, обеспечивая контакт. К щеткам припаяны провода, по которым далее в устройство и передаётся ток.

Генератор переменного тока: устройство и принцип действия
Как получается переменное напряжение? Представьте себе, рамка вращается, то одной, то другой стороной приближаясь к полюсам (положительному S и отрицательному N). Чем ближе к полюсу, тем сильнее наводимое поле (больше сила тока), чем дальше ‒ тем меньше. Соответственно, на контактных кольцах имеем плавно изменяющуюся силу тока. Она то близка к нулю (когда рамка находится дальше всего), то подходит к максимуму. Таким образом, получаем на выходе ток синусоидальной формы.

Таким образом получаем на выходе генератора ток синусоидальной формы
Те же самые процессы происходят, если прямоугольную рамку закрепить неподвижно, а внутри нее вращать магнитное поле. Ток также имеет синусоидальную форму, просто имеем два типа установок ‒ с неподвижным статором и с неподвижным ротором.
Генератор постоянного тока устроен точно также и отличается только устройство снятия тока. К рамке прикреплены два полукольца, так что щетки снимают ток попеременно, то с одного конца рамки, то с другого. В результате на выходе имеем положительные полуволны, которые близки к постоянному току.
Конструкция и принцип работы
Конструктивно вентильный агрегат представляет собой разновидность синхронного двигателя.
В его состав входят:
- Ротор, как правило, из магнитного материала, реагирующий на воздействие электромагнитного поля.
- Статор, включающий в себя фазы обмоток, намотанные в катушки станину и диэлектрическую прокладку.
- Измерительные датчики (чаще всего Холла), позволяющие определить положение вращения вала.
- Микропроцессорный блок, формирующий импульсы, их форму, задающие частоту вращения ротора, сравнивающий показания датчиков и подаваемого переменного тока на фазные обмотки.
Пример конструкции вентильного двигателя приведен на рисунке ниже:

Принцип работы вентильного двигателя заключается в четком позиционировании постоянных магнитов на роторе по отношению к формируемому пику электромагнитного импульса на фазных электрических обмотках. При движении магнитов датчики воспринимают информацию об их положении в пространстве и меняют пропускную способность реактивных вентильных преобразователей, что позволяет валу вращаться дальше. Таким образом, управление вращением осуществляется без использования скользящего контакта, поэтому данная категория электрических машин относится к категории бесколлекторных электродвигателей.
Статор
Конструктивно статор мало чем отличается от классических моделей синхронных и асинхронных двигателей. Это металлический цельнолитой или наборной магнитопровод, в пазах которого укладываются фазные провода. Количество обмоток якоря определяется числом подключаемых фаз и периодичностью их чередования. Чем чаще уложены обмотки статора, тем точнее контролируется вращение вентильного электродвигателя.
Полюса статора также могут характеризоваться смещением на строго определенный угол, как и его обмотки. По количеству фаз коммутации вентильные двигатели бывают двух-, трех-, четырех- и шестифазными.
Ротор
В зависимости от конструкции ротора бесконтактные двигатели могут иметь внутрироторное и внешнероторное исполнение.

Количество пар полюсов также может отличаться, но уже без каких-либо привязок к обмоткам, как правило, этот параметр варьируется от двух до шестнадцати с парным шагом.
В более старых моделях для бесколлекторных двигателей использовались постоянные магниты из ферритовых сплавов. Которые отличались доступностью и относительно более низкой себестоимостью, но имели слишком низкие показатели индукции. Однако с постепенным развитием технологий, на смену им пришли магнитные элементы из редкоземельных металлов. Этот вариант обладает более точным позиционированием, но и стоит он дороже.

Датчик положения ротора
В синхронных электродвигателях датчик необходим для осуществления обратной связи с положением вала механического устройства. В зависимости от принципа действия могут применяться датчики:
- Фотоэлектрического принципа действия;
- Трансформаторного;
- Индуктивного;
- На эффекте Холла.

Наиболее распространенными вариантами для практической реализации стали фотоэлектрические датчики и датчики с эффектом Холла. Они обладают большей точностью и меньше запаздывают при передаче данных в канале связи. Датчики привязываются к определенным маркерам на валу и реагируют на их прохождение.
Система управления
В состав блока управления, как правило, входит микроконтроллер и электронный ключ для подключения к двух- или трехфазным обмоткам двигателя. Микроконтроллер или микропроцессор необходим для обработки получаемых с датчиков сигналов и последующего преобразования синусоидальной коммутации в более удобную форму сигнала. Электрические преобразователи выполняется на базе полупроводниковых транзисторов, соединенных по мостовой схеме. Они производят широтно-импульсную модуляцию питающего напряжения в соответствии с заданным режимом работы.

Новое направление — индукторные приводы
Технология изготовления и применения, управляемого индукторного привода (ИП) является передовой и наиболее перспективной в области силового электропривода. Индукторный двигатель (ИД) имеет простую и надёжную конструкцию.
Ротор – зубчатый без обмоток, не имеет стержней и постоянных магнитов, набирается из листов электротехнической стали.
Статор – зубчатый, шихтованный, обмотка в виде катушек, устанавливаемых на зубцы (полюсы) и объединённых в несколько фаз.
Катушки не имеют пересекающихся лобовых частей, что повышает их долговечность и обеспечивает легкую ремонтопригодность (достаточно заменить одну катушку, вышедшую из строя, при этом соседние катушки остаются не тронутыми).

Питается ИД от блока управления, с применением IGBT транзисторов, путём поочерёдной подачи импульсов напряжения на катушки по сигналам от датчика положения ротора, что обеспечивает формирование механической характеристики практически в любом диапазоне. Изменением частоты следования импульсов регулируется частота вращения ротора в широких пределах при сохранении неизменным КПД. Изменением длительности импульсов напряжения регулируется момент и мощность двигателя.
Программно управляемая микропроцессорная система, позволяет осуществлять коррекцию естественной механической характеристики при реализации электропривода для тяговой, вентиляторной, крановой, экскаваторной и другими типами нагрузок.
ИД характеризуется длительной и безотказной работой в динамических режимах с частыми пусками и остановками. При этом пуск механизма осуществляется плавно. В ИД отсутствуют пусковые токи. При запуске величина токов не превышает номинальных значений. Максимальная частота управляющих импульсов не превышает 250 – 300 Гц.
ИД обладает уникальным свойством, принципиально отличающим его от других электрических машин, которое обеспечивает его повышенную живучесть, – это отсутствие обмоток ротора, отсутствие скользящего контакта, магнитная и электрическая независимость его фаз. Поэтому повреждение какой-либо одной или нескольких катушек не приводит к полной потере работоспособности привода, как у двигателей постоянного и переменного тока, а только частично снижает его мощность.
По сравнению с частотно-регулируемым асинхронным двигателем индукторный двигатель имеет более высокий КПД (на 3–5 %) при таких же габаритах.
Основные преимущества индукторного привода
Основные преимущества индукторного привода (ИП), определенные в результате многолетнего опыта разработок и исследований, выполненных как в нашей стране, так и за рубежом:
- Высокая перегрузочная способность двигателя в пусковом режиме порядка 4-х кратной номинальной величины вращающего момента и выше при соответствующем выборе элементной базы преобразователя;
- Важнейшим, с точки зрения энергосбережения, преимуществом ИП является сохранение высокого значения КПД двигателя, близкого к номинальному (для крупных машин 97-98%), в часто встречающихся режимах работы с неполной нагрузкой на валу;
- Более высокий КПД преобразователя (инвертора) за счет работы на низкой частоте 100-300 Гц в отличие от инвертора асинхронного двигателя (АД), работающего в режиме ШИМ на частотах в 2500 Гц;
- Высокое быстродействие за счет малой инерционности без обмоточного ротора и полностью шихтованной ферромагнитной системы статора и ротора, точность управления моментом, возможность плавного регулирования частоты, вращения в широком диапазоне при фазовом управлении ИП без использования преобразователя ОС/ОС для регулирования постоянного напряжения на входе инвертора (необходимого для АД), что также повышает КПД ИП;
- Простота конструкции магнитопроводов статора, ротора и катушечных обмоток двигателя, не имеющих пересекающихся лобовых частей, обеспечивает высокую технологичность, повышенные надежность, долговечность и ремонтопригодность;
- Ротор двигателя не содержит обмоток, поэтому от него не требуется отвод тепла;
- Высокая надежность силового инвертора, обусловленная схемными решениями, исключающими в нем возможность сквозных коротких замыканий;
- Повышенная живучесть ИП за счет магнитной независимости фазных обмоток в двигателе и электрической независимости фазных блоков в преобразователе питания, поэтому повреждение какой-либо одной или нескольких фаз приводит не к полной потере работоспособности привода, как у АД, а к частичному снижению мощности.
Амплитудный способ определения скорости вращения
Амплитудный способ выгодно отличается от частотного простотой схемы управления, но не очень точен из-за: температурных колебаний ; зазоров между статором и ротором; старения магнитов ротора, влияющее на величину магнитного потока; частотной модуляции, оказывающей воздействие на реактивные элементы электрической цепи. Как и в других типах тахогенераторов, при увеличении скорости вращения ротора возрастает и генерируемая в обмотке статора ЭДС. Для “считывания” значений этой ЭДС обычно используют выпрямитель (одно- или двухполупериодный) и НЧ фильтр, назначение которого сглаживать пульсации.
Зная параметр “крутизны выходного напряжения”, представляемый обычно размерностью в мВ/мин-¹ (милливольт на оборот в минуту), и величину генерируемого выходного напряжения, можно сравнительно легко вычислить частоту вращения ротора:
где Frot — частота вращения ротора в Гц ; Uout — величина генерируемого выходного напряжения в мВ; St- “крутизна выходного напряжения” в мВ/мин-¹.
Книги
Нормативные правовые актыОбщественные и гуманитарные наукиРелигия. Оккультизм. ЭзотерикаОхрана труда, обеспечение безопасностиСанПины, СП, МУ, МР, ГНПодарочные книгиПутешествия. Отдых. Хобби. СпортНаука. Техника. МедицинаКосмосРостехнадзорИскусство. Культура. ФилологияДругоеКниги издательства «Комсомольская правда»Книги в электронном видеКомпьютеры и интернетБукинистическая литератураСНиП, СП, СО,СТО, РД, НП, ПБ, МДК, МДС, ВСНГОСТы, ОСТыЭнциклопедии, справочники, словариДомашний кругДетская литератураУчебный годСборники рецептур блюд для предприятий общественного питанияЭкономическая литератураХудожественная литература
Как выбрать?
При выборе генератора важно найти подходящее и надежное устройство, которое сможет обеспечить электроэнергией отведенную площадь. Для начала необходимо определиться с техническими параметрами будущего устройства
Специалисты советуют обратить внимание на:
- массу электрогенератора;
- габариты устройства;
- мощность;
- расход топлива;
- показатель шума;
- продолжительность работы.
А также важным параметром является возможность организации автоматической работы. Чтобы понять, сколько фаз требуется будущему генератору, необходимо определиться с типом и количеством электроприборов, которые будут к нему подключаться.

Однако не всегда покупка подобной мобильной электростанции становится лучшим решением.
Перед покупкой дополнительно рекомендуется учесть нагрузку, которая будет оказана на устройство во время его работы. На каждую фазу должна приходиться нагрузка максимум в 30% от общего количества. Таким образом, если мощность генератора составляет 6 кВт, то в случае использования розеток с напряжением в 220 В удастся задействовать только 2 кВт.
Покупка трехфазного генератора востребована только тогда, когда в доме много трехфазных потребителей. Если большинство приборов однофазные, лучше приобрести соответствующий агрегат.

Классификация и виды агрегатов
Все электрогенераторы можно распределить по критерию работы и по типу топлива, из которого и образуется электроэнергия. Все генераторы делятся на однофазные (выход напряжения 220 Вольт, частота 50 Гц) и трехфазные (380 Вольт с частотой 50 Гц), а также по принципу работы и типу топлива, которое конвертируется в электричество. Ещё генераторы могут использоваться в разных сферах, что определяет их технические характеристики.
По принципу работы
Разделяют асинхронные и синхронные генераторы переменного тока.
Асинхронный
У асинхронных электрогенераторов нет точной зависимости ЭДС от частоты вращения ротора, но здесь работает такой термин, как «скольжение S». Оно определяет эту разницу. Величина скольжения вычисляется, поэтому некоторое влияние элементов генератора в электромеханическом процессе асинхронного двигателя все же есть.
Синхронный

Такой генератор обладает физической зависимостью от вращательного движения ротора к генерируемой частоте электроэнергии. В таком устройстве ротор является электромагнитом, состоящим из сердечников, обмоток и полюсов. Статором являются катушки, которые соединены по принципу звезды, и имеющими общую точку – ноль. Именно в них вырабатывается электрический ток.Ротор приводит в движение посторонняя сила подвижных элементов (турбин), которые двигаются синхронно. Возбуждение такого генератора переменного тока может быть, как контактным, так и бесконтактным.
По типу топлива двигателя
Удаленность от электросети с появлением генераторов больше не становится препятствием для пользования электроприборами.
Газовый генератор

В качестве топлива здесь используется газ, во время сгорания которого и вырабатывается механическая энергия, которая затем заменяется электрическим током. Преимущества использования газогенератора:
- Безопасность для окружающей среды, ведь газ при сгорании не выделяет вредных элементов, копоти и токсичных продуктов распада;
- Экономически это очень выгодно – сжигать дешевый газ. В сравнении с бензином, это обойдется значительно дешевле;
- Подача топлива осуществляется автоматически. Бензин и дизельное топливо требуется по мере необходимости подливать, а газовый генератор обычно подключают к системе газоснабжения;
- Благодаря автоматике, аппарат приходит в действие самостоятельно, но для этого он должен располагаться в теплом помещении.
Дизельный генератор

Эту категорию составляют преимущественно однофазные агрегаты мощностью 5 кВт. 220 Вольт и частота 50 Гц являются стандартными для бытовой техники, поэтому дизельный аппарат неплохо справляется со стандартной нагрузкой. Как можно догадаться, для его работы требуется дизельное топливо. Почему стоит выбрать именно дизельный электрогенератор:
- Относительная дешевизна топлива;
- Автоматика, позволяющая автоматически запускать генератор при прекращении подачи электрического тока;
- Высокий уровень противопожарной безопасности;
- В течении длительного периода времени агрегат на дизеле способен проработать без сбоев;
- Внушительная долговечность – некоторые модели способны работать в общей сумме 4 года непрерывной эксплуатации.
Бензогенератор

Такие аппараты довольно востребованы как бытовое оборудование. Несмотря на то, что бензин дороже газа и дизеля, такие генераторы имеют немало сильных сторон:
- Малые габариты при высокой мощности;
- Просты в эксплуатации: большинство моделей можно запустить вручную, а более мощные генераторы оснащены стартером. Регулируется напряжение под определенную нагрузку при помощи специального винта;
- В случае перегрузки генератора автоматически срабатывает защита;
- Просты в обслуживании и ремонте;
- Во время работы не издают много шума;
- Можно применять и в помещении, и на улице, но следует защищать от попадания влаги.
Источник
Опции и дополнительные возможности
Значительное влияние на цену оказывают опции. Хоть генераторы «с наворотами» стоят дороже, некоторые из дополнительных возможностей могут быть очень полезны. Например:
- Защита от утечки. Встроенное УЗО, которое отслеживает наличие пробоя изоляции и отключает установку при появлении тока утечки.
- Защита от перегрузки. Функция не даёт работать деталям «на износ».
- Автоматический запуск. При пропадании электроэнергии генератор запускается сам.

Использование может быть разным
Есть ещё такие, без которых можно обойтись, но делающие эксплуатацию генератора тока более удобной. Например, контроль параметров с одновременным отображением на дисплее или передача данных о состоянии генератора на подключённый компьютер. Ещё, может быть, целый ряд конструктивных «добавок»: шумогасящий кожух, защитный кожух от низких температур, увеличенный топливный бак и т. д.
1.4 Индукторные генераторы
В индукторных
генераторах (ИГ) магнитная индукция в каждой точке якорной зоны меняется только
по величине, а её направление сохраняется неизменным. Изменение во времени
магнитного потока, сцепленного с каждой секцией обмотки якоря, достигается за
счет периодического изменения магнитного сопротивления на пути потока.

Рисунок 8 – Однопакетный ИГ
На рисунке 8
показан однопакетный ИГ с неявнополюсным статором, на котором размещается
якорная обмотка 1, расположенная в пазах шихтованного сердечника 2. Кроме
того, на статоре размещается обмотка возбуждения 3, питаемая постоянным током.
На роторе имеется стальная втулка 4, на которой находятся шихтованные выступы
5. Основной магнитный поток Ф, создаваемый обмоткой возбуждения, замыкается по
пути: корпус 6 — втулка 4 — сердечник 2 — корпус 6. Между втулкой 4 .и
сердечником статора 2 поток разветвляется: его большая часть Фmax
замыкается через выступы 5 и наименьший зазор 6 min,
а меньшая часть Фmin — через наибольший зазор бmax. (величина потока обратно пропорциональна магнитному
сопротивлению на его пути). При вращении ротора с каждой секцией якорной
обмотки будет поочередно сцеплен то Фmax, то Фmin.. Таким образом, поток меняется по величине, но
его направление (на рисунке 8 – от центра к периферии) сохраняется в каждой
точке зазора. За счет изменения Ф во времени в обмотке якоря наводится э.д.с.
На рисунке 9
(обозначения те же, что и на рисунке
показан двух пакетный ИГ с явно
полюсным статором. Здесь якорная обмотка выполнена в виде катушек, охватывающих
шихтованные выступы сердечника статора. Имеются одна обмотка возбуждения 3 и
две симметричные активные зоны слева и справа от обмотки 3, в которых, как и на
рисунке 8, через δmin замыкается Фmах,
а через δmах замыкается Фmin.
Конструкции,
показанные на рис, 8 и 9, называются одноименно полюсными, так как магнитная
индукция имеет одинаковое направление в каждой точке зазора.

Рисунок 9 – Двухпакетный
ИГ с явно полюсным статором
Внешние
характеристики индукторных генераторов подобны характеристикам явнополюсных
синхронных генераторов.
Достоинства:
отсутствие вращающейся обмотки, простота и надежность конструкции; относительно
малые вес обмотки возбуждения и потери в ней, а следовательно, и в регуляторе;
относительно высокий к. п. д. и простота регулирования потока взаимоиндукции.
Допускают высокие частоты вращения. Могут быть выполнены на большие частоты
(тысячи Гц), при которых они наиболее конкурентоспособны с генераторами других
типов.
К
недостаткам относятся: низкое использование (менее чем на 50%) активного слоя
вследствие того, что полезно используется лишь переменная составляющая пульсирующего
потока; высокая реактивность, что иногда требует емкостную компенсацию;
зависимость формы кривой э. д. с. от величины и характера нагрузки.
Существуют
разноименно полюсные ИГ, в которых якорная зона имеет области с магнитным полем
разного направления (напомним, однако, что в каждой данной точке рабочего
зазора поле сохраняет направление и меняется только по величине). Такой ИГ
показан на рисунке 10, а.

Рисунок
10 – Разноименно полюсные ИГ
Он имеет обмотку возбуждения 1, стороны которой
параллельны оси. На статоре есть выступы с обмоткой якоря 2. Ротор также
явнонополюсный. Полный поток вокруг обмотки возбуждения 1 замыкается по двум
основным путям: через δmin замыкается поток Фmаx и
через δmах — поток Фmin. При вращении
якоря поток в каждой катушке якорной обмотки 2 меняется во времени и наводит
э.д.с. В верхней половине сечения на рисунке 10, а поле всюду направлено от
центра, а в нижней — к центру, т.е. на роторе и статоре можно выделить
полюсы разной полярности, в отличие от предыдущих конструкций ИГ, где в каждом
сечении активной зоны полюсы имели одинаковую полярность.
Общими недостатками для всех типов индукторных генераторов является их
больший вес (на 40—60% больше, чем у генераторов с вращающимися выпрямителями).
Пакет якоря имеет, по меньшей мере, удвоенные размеры и вес по сравнению с
якорем альтернативного генератора. Индукторные генераторы имеют плохую форму
кривой напряжения, крутопадающие внешние характеристики и малый коэффициент
перегрузки. Динамические характеристики их невысокие.
