Электронные регуляторы напряжения
Простой регулятор напряжения / тока можно сделать из резистора, соединенного последовательно с диодом (или серией диодов). Из-за логарифмической формы кривых VI диода, напряжение на диоде изменяется незначительно из-за изменений потребляемого тока или изменений на входе. Когда точный контроль напряжения и эффективность не важны, такая конструкция может подойти. Поскольку прямое напряжение диода невелико, этот тип регулятора напряжения подходит только для низковольтного регулируемого выхода. Когда требуется более высокое выходное напряжение, можно использовать стабилитрон или серию стабилитронов. В стабилизаторах на стабилитронах используется фиксированное обратное напряжение стабилитрона, которое может быть довольно большим.
Регуляторы напряжения с обратной связью работают, сравнивая фактическое выходное напряжение с некоторым фиксированным опорным напряжением. Любая разница усиливается и используется для управления регулирующим элементом таким образом, чтобы уменьшить ошибку напряжения. Это формирует контур управления с отрицательной обратной связью; увеличение коэффициента усиления разомкнутого контура ведет к увеличению точности регулирования, но снижает стабильность. (Стабильность — это предотвращение колебаний или звона во время ступенчатых изменений.) Также будет компромисс между стабильностью и скоростью реакции на изменения. Если выходное напряжение слишком низкое (возможно, из-за уменьшения входного напряжения или увеличения тока нагрузки), регулирующий элемент получает команду до определенного момента на создание более высокого выходного напряжения за счет уменьшения входного напряжения (для линейных последовательных регуляторов). и понижающие импульсные регуляторы) или потреблять входной ток в течение более длительных периодов (импульсные импульсные регуляторы); если выходное напряжение слишком высокое, регулирующий элемент обычно получает команду произвести более низкое напряжение. Однако многие регуляторы имеют защиту от перегрузки по току, так что они полностью прекратят подачу тока (или ограничат ток каким-либо образом), если выходной ток слишком высок, а некоторые регуляторы также могут отключиться, если входное напряжение выходит за пределы заданного значения. диапазон (см. также: схемы лома ).
Характеристика регулятора
По своему виду приспособления могут изготавливаться в портативном или стационарном исполнении. Устанавливаются они в любом положении: вертикальном, потолочном, горизонтальном.
К основным характеристикам устройств относят следующие параметры:

- Плавность регулировки. Обозначает минимальный шаг, с которым происходит изменение величины разности потенциалов на выходе. Чем он плавнее, тем точнее можно выставить значение напряжения на выходе.
- Рабочая мощность. Характеризуется значением силы тока, которое может пропускать через себя прибор продолжительное время без повреждения своих электронных связей.
- Максимальная мощность. Пиковая величина, которую кратковременно выдерживает устройство с сохранением своей работоспособности.
- Диапазон входного напряжения. Это значения входного сигнала, с которым устройство может работать.
- Диапазон изменяемого сигнала на выходе устройства. Обозначает значения разности потенциалов, которое может обеспечить устройство на выходе.
- Тип регулируемого сигнала. На вход устройства может подаваться как переменное, так и постоянное напряжение.
- Условия эксплуатации. Обозначает условия, при которых характеристики регулятора не изменяются.
- Способ управления. Выставление выходного уровня сигнала может осуществляться пользователем вручную или без его вмешательства.
Регулирование частоты выходного напряжения автономных инверторов (осн. особенности) и основные способы регулирования напряжения (на примере структурной схемы регулир.)
Независимые (автономные) инверторы не требуют внешних источников. Переменное напряжение нужной частоты создается самим инвертором.
Автономным (независимым) инвертором является преобразователь, выходные параметры которого (форма, амплитуда, частота выходного напряжения) определяются схемой преобразователя, системой управления и режимом его работы в отличие от инвертора, ведомого сетью, выходные параметры которого определяются параметрами сети.
Современные инверторы выполняются на основе полностью управляемых силовых полупроводниковых приборов – запираемых GTO – тиристоров, либо биполярных IGBT-транзисторов с изолированным затвором. На рис. 2.45 представлена 3-х фазная мостовая схема автономного инвертора на IGBT-транзисторах.
Она состоит из входного емкостного фильтра Cф и шести IGBT-транзисторов V1-V6 включенными встречно-параллельно диодами обратного тока D1-D6. За счет поочередного переключения вентилей V1-V6 по алгоритму, заданному системой управления, постоянное входной напряжение Uв преобразуется в переменное прямоугольно-импульсное выходное напряжение. Через управляемые ключи V1-V6 протекает активная составляющая тока асинхронного электродвигателя, через диоды D1-D6 – реактивная составляющая тока.
Источник
Критерии выбора
Критерии которым должен отвечать качественный импульсный преобразователь и стабилизатор:
- Продолжительный режим работы в экстремальных моментах когда ток в нагрузке максимален;
- Полная автоматизация регулирования напряжения на выходе. Только тогда можно не бояться ни перегрузок, ни даже короткого замыкания;
- Высокая надёжность устройства, обусловленная высоким показателем КПД и как следствие низким выделением тепла;
- Минимальные габариты и вес;
- Наличие гальванической развязки, которая исключает даже теоретически саму возможность попадания опасного напряжения входа, на выходные контакты, а значит на незащищенный потребитель.
Человек не знакомый с электроникой должен помнить при выборе нужного бытового стабилизатора напряжения что он должен соответствовать главным образом мощности тех приборов, к которым он будет подключен. А также падения и всплескам напряжения, которые могут возникнуть в сети. Лучше выбирать стабилизатор или импульсный понижающий преобразователь напряжения немного с запасом по мощности, так как количество используемых потребителей в квартирах и частных домах постоянно растёт.
Источник
Что такое стабилизатор напряжения с регулировкой
Суть и задачи устройства полностью раскрываются в его названии. Слово «стабилизатор» означает то, что этот прибор способен поддерживать на своих выходных клеммах неизменный уровень напряжения. Их, кстати, может быть больше, чем две. Слово «напряжение» указывает на то, с каким параметром работает устройство, ведь, помимо этого, существуют и регулируемые стабилизаторы тока, относящиеся к другому классу. Фраза «с регулировкой» означает, что выходной вольтаж может изменяться человекам или какими-либо внешними факторами.
Сразу стоит подметить, что стабилизаторы бывают разными по мощности, конструкции и назначению. Самые распространённые следующие:
- ЛАТРы – из-за простоты и надёжности востребованы уже многие десятилетия;
- стабилизированные источники питания, на подобие тех, что применяются для LED лент;
- интегральные стабилизаторы, которые в основном монтируются на печатные платы.

Дополнительная информация. Для правильного питания аккумулятора смартфона применяются платы стабилизации. Они нужны, чтобы управлять током заряда. Собрать подобное устройство можно и самостоятельно на основе биполярных или полевых транзисторов.
Пример линейных регуляторов
Транзисторный регулятор
В простейшем случае используется усилитель с общим коллектором, также известный как эмиттерный повторитель, с базой регулирующего транзистора, подключенной непосредственно к источнику опорного напряжения:

Простой транзисторный стабилизатор обеспечивает относительно постоянное выходное напряжение U out для изменений напряжения U in источника питания и для изменений нагрузки R L , при условии, что U in превышает U out с достаточным запасом и что допустимая мощность транзистор не превышен.
Выходное напряжение стабилизатора равно напряжению на стабилитроне минус напряжение база-эмиттер транзистора, U Z — U BE , где U BE обычно составляет около 0,7 В для кремниевого транзистора, в зависимости от тока нагрузки. Если выходное напряжение падает по какой-либо внешней причине, например, из-за увеличения тока, потребляемого нагрузкой (вызывающего уменьшение напряжения коллектор-эмиттер, чтобы наблюдать KVL), напряжение база-эмиттер транзистора ( U BE ) увеличивается, поворачивая транзистор включается дальше и подает больший ток, чтобы снова увеличить напряжение нагрузки.
R v обеспечивает ток смещения как для стабилитрона, так и для транзистора. Ток в диоде минимален, когда ток нагрузки максимален. Разработчик схемы должен выбрать минимальное допустимое напряжение на R v , учитывая, что чем выше это требование к напряжению, тем выше требуемое входное напряжение U in и, следовательно, тем ниже эффективность регулятора. С другой стороны, более низкие значения R v приводят к более высокому рассеянию мощности в диоде и ухудшению характеристик регулятора.
R v определяется выражением
- рvзнак равноМаксимумVрминяD+МаксимумяL(часFE+1),{\ displaystyle R _ {\ text {v}} = {\ frac {\ max V_ {R}} {\ min I _ {\ text {D}} + \ max I _ {\ text {L}} / (h _ {\ текст {FE}} + 1)}},}
где
- min V R — минимальное напряжение, которое должно поддерживаться на R v ,
- min I D — минимальный ток, который должен поддерживаться через стабилитрон,
- max I L — максимальный расчетный ток нагрузки,
- h FE — коэффициент усиления транзистора по прямому току ( I C / I B ).
Регулятор с операционным усилителем
Стабильность выходного напряжения можно значительно повысить, применив операционный усилитель :

В этом случае операционный усилитель питает транзистор большим током, если напряжение на его инвертирующем входе падает ниже выхода опорного напряжения на неинвертирующем входе. Использование делителя напряжения (R1, R2 и R3) позволяет выбирать произвольное выходное напряжение между U z и U in .
Проверка отдельного регулятора
Проверка регулятора напряжения у генератора Г-222: 1 — аккумуляторная батарея; 2 — регулятор напряжения; 3 — контрольная лампа.
Как правило, отдельные регуляторы напряжения устанавливали на старые машины, включая отечественные ВАЗы. Но некоторые производители продолжают так поступать до сих пор. Процесс проверки аналогичен. Для этого нужно иметь блок питания с регулятором значения напряжения, лампочку на 12 В, мультиметр и непосредственно проверяемый регулятор.
Для проверки нужно собрать схему, приведенную на рисунке. Сам же процесс аналогичен приведенному выше. В нормальном состоянии (при напряжении в 12 В) лампочка светится. При увеличении значения напряжения до 14,5 В она тухнет, а при понижении — светится вновь. Если в процессе лампа светится или тухнет при других значениях — значит, регулятор вышел из строя.
Проверка реле типа 591.3702-01
Схема проверки реле типа 591.3702-01
Также до сих пор можно встретить регулятор напряжения типа 591.3702-01, который устанавливали еще на заднеприводные ВАЗы (начиная от ВАЗ 2101 и заканчивая ВАЗ 2107), ГАЗ и Москвичи. Аппарат крепится отдельно, и устанавливается на кузове. В целом же проверка аналогична описанному выше, однако отличия состоят в используемых при этом контактах.
В частности, на нем есть два основных контакта — «67» и «15». Первый из них — это минус, а второй — плюс. Соответственно, для проверки необходимо собрать схему, приведенную на рисунке. Принцип проверки остается прежним. В нормальном состоянии, при напряжении в 12 В лампочка светится, а при повышении соответствующего значения до 14,5 В — тухнет. При возвращении значения в исходное значение лампочка загорается вновь.
Классическим регулятором такого типа является аппарат марки РР-380, устанавливаемый на машины ВАЗ 2101 и ВАЗ 2102. Приводим справочные данные, касающиеся этого регулятора.
| Регулируемое напряжение при температуре регулятора и окружающей среды (50±3)° С, В: | |
|---|---|
| на первой ступени | не более 0,7 |
| на второй ступени | 14,2 ± 0,3 |
| Сопротивление между штекером «15» и массой, Ом | 17,7 ± 2 |
| Сопротивление между штекером «15» и штекером «67» при разомкнутых контактах, Ом | 5,65 ± 0,3 |
| Воздушный зазор между якорем и сердечником, мм | 1,4 ± 0,07 |
| Расстояние между контактами второй ступени, мм | 0,45 ± 0,1 |
Проверка трехуровневого реле
Регулируемый источник питания
Некоторые автовладельцы устанавливают на свои машины вместо стандартных “шоколадок” трехуровневые реле, которые являются технологически более продвинутыми. Их отличием является наличие трех уровней напряжения, при котором происходит отсечка питания аккумулятора (например, 13,7 В, 14,2 В и 14,7 В). Соответствующий уровень можно выставить вручную, воспользовавшись специальным регулятором.
Такие реле являются более надежными и позволяют гибко регулировать уровень напряжения отсечки. Что касается проверки такого регулятора, то она полностью аналогична описанным выше процедурам. Только при этом не забудьте про значение, которое выставлено на реле, и соответственно, проверяйте его по мультиметру.
Проверка генератора
Существует один метод, с помощью которого можно проверить работоспособность генератора автомобиля, оборудованного реле регулятора 591.3702-01 с элементами диагностики. Он заключается в следующем:
- отключить провода, которые шли к контактам 67 и 15 регулятора напряжения;
- подключить к ней лампочку (исключив из схемы регулятор);
- снять с плюсовой клеммы аккумуляторной батареи провод.
В случае, если в результате этих действий двигатель не заглох — значит, можно утверждать, что генератор автомобиля в порядке. В противном случае — неисправен и нуждается в проверке и замене.
Преобразователи напряжения импульсные
Для преобразования электроэнергии, а точнее сказать, напряжения, можно использовать различные устройства, такие как трансформаторы, генераторы, зарядные устройства. Все они являются преобразователями электрической энергии. Так как для питания многих современных устройств нужно не только переменное, но и постоянное напряжение, то для этих целей не всегда есть возможность применять такой источник энергии, как аккумуляторная батарея. Именно она выдаёт идеальное постоянное напряжение путём химической реакции. Раньше для преобразования и понижения напряжения применялись только низкочастотные трансформаторы, работающие в паре с выпрямителем и сглаживающим фильтром. Однако они обладали очень большими габаритами. С ростом и развитием инновационных технологий в быту и на производстве стали появляться электронные устройства, требующие миниатюрных преобразовательных устройств. Так и появились импульсные преобразователи постоянного напряжения. Миниатюрность их требуется больше для переносных мобильных устройств, нежели для стационарных.
Все импульсные преобразователи можно разделить на следующие группы:
- Повышающие, понижающие, инвертирующие;
- Со стабилизацией и без неё;
- С гальванической развязкой и без неё;
- Регулируемые и нерегулируемые;
- Обладающие различным диапазоном входного и выходного напряжения.
Однако импульсные преобразователи собраны на более сложных схемах, нежели их предшественники классические понижающие выпрямители.
Самые распространённые схемы
Существует несколько классических стандартных схем, которые чаще всего применяются в импульсных преобразователях постоянного напряжения. Они обеспечивают разные величины соотношений между входным и выходным напряжением. Эти схемы раскрывают саму суть преобразователей и их принцип работы.
Понижающий преобразователь напряжения и его схема

Она используется для питания потребителей, нагрузка которых выражается большими токами и малым напряжением. Это первоочередная схема способная заменить классический низкочастотный преобразователь, в свою очередь, обеспечит увеличение КПД, уменьшит габариты и вес устройства. Транзистор VT выполняет роль электронного ключа, его работа лежит между двумя режимами осечки (полного закрытия) и насыщения (полного открытия). Расчет каждой детали производится непосредственно для конкретного потребителя и источника напряжения. Основным недостатком данной схемы является вероятность пробоя и появление полного большого входного напряжения на потребителе. Это, несомненно, приведёт к неисправности питаемого устройства.
Повышающий преобразователь и схема

Она может быть использована для получения напряжения на потребителе или на нагрузке больше чем на источники энергии. Применяется для подсветки дисплеев портативных компьютеров и для других электронных устройств где необходимо из небольшого напряжения сделать большее. Здесь имеет место процесс появления ЭДС самоиндукции, которая появляется после открытия транзистора. Вся накопленная энергия в дросселе попадает в нагрузку. При этом напряжение на выводах дросселя меняет свою полярность.
Инвертирующая схема
Может использоваться для получения напряжения, которое обладает обратной полярностью. При этом по значению U вых может быть меньше или больше U вх. Энергия, которая скапливается в дросселе направляется в нагрузку через сглаживающий конденсатор.

Как видно из этих схем все они не имеют гальванической развязки, то есть непосредственной изоляции вторичного выходного напряжения от входного.

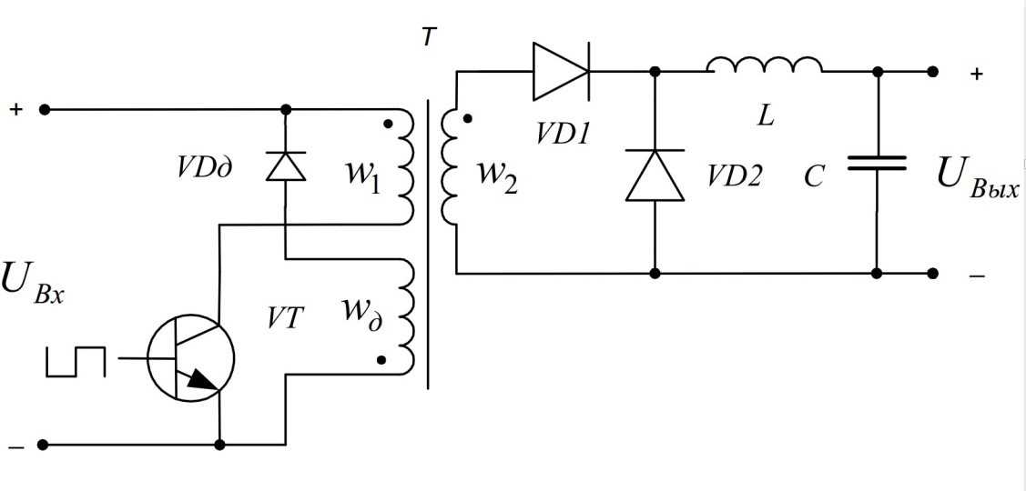
Вот одна из таких схем, содержащих трансформатор. Энергия, которая накапливается в магнитном поле первичной обмотки трансформатора, в нагрузку выводится через вторичную обмотку. Трансформатор в этом случае может быть и повышающим и понижающим. Применяется очень часто в сетевых источниках где есть необходимость снижения входного напряжения от нескольких сотен вольт до единиц или десятков.
В момент когда транзистор закрывается трансформатор своей индуктивностью может вызвать на коллекторе высоковольтный скачок или всплеск, что несомненно, очень плохо и может привести к пробою полупроводникового элемента. Для этого и устанавливается RC-цепочка из конденсатора и катушки индуктивности, которая может быть подключена параллельно ключу или первичной обмотке. Такой обратноходовой импульсный преобразователь широко используется во многих сетевых источниках электрического тока с небольшой мощностью порядка 100 Вт.

Еще одна схема с трансформатором и прямым включением диода изображена на схеме ниже.
Используется в источниках питания около 250 Вт. Все эти рассмотренные выше преобразователи называются однотактные, потому что за один период преобразования в нагрузку будет поступать только один импульс. Основное их преимущество — это простота схемы состоящей всего из одного транзистора, работающего в режиме ключа, а недостаток намагничивание сердечника которое не даёт в полном объёме использовать с максимальным КПД этот магнитный материал. Передача энергии потребителю и подготовка трансформатора к следующему циклу размагничивания осуществляется с некоторой паузой которая и снижает их выходную мощность.
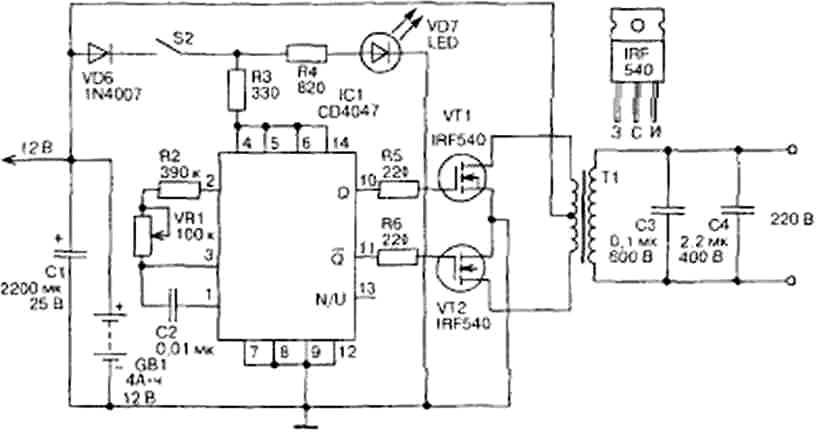
Вот несколько практических реализованных в жизни схем, основой которого является импульсный преобразователь. Первая из них имеет регулировочный элемент, выполненный на микросхеме, в свою очередь, обе схемы выполнены на полевых транзисторах. Расчет их выполнен под напряжение для нагрузки от 5 до 12 Вольт.

Технические характеристики стабилизаторов напряжения
При подборе стабилизатора следует учитывать его назначение. Исходя из него, можно определиться, прибор с какими характеристиками будет наиболее подходящим. Важнейшие параметры стабилизаторов таковы:
- диапазоны входных и выходных напряжений;
- максимально допустимый ток;
- предельная мощность;
- уровень пульсаций и шумов на выходе;
- КПД стабилизатора.
Первые 3 параметра при подборе являются наиболее важными. Не считаться с ними нельзя, ведь в противном случае стабилизатор долго не проработает. Характеристики 4 и 5 нужны для проведения более профессиональных ремонтов, разработок и экспериментов.
Резисторное регулирование
Для регулирования пускового тока и напряжения, подводимого к электродвигателю, в якорную цепь последовательно якорю (или якорю и обмотке возбуждения в случае двигателя последовательного возбуждения) подключают резисторы:

Таким образом, регулируется ток, подводимый к электрической машине. Контакторы К1, К2, К3 шунтируют резисторы при необходимости изменения какого-либо параметра или координаты электропривода. Этот способ довольно еще широко распространен, особенно в тяговых электроприводах, хотя ему сопутствуют большие потери в резисторах и, как следствие, довольно низкий КПД.
Варианты использования в электронных схемах
В электронных схемах применяются именно линейные интегральные стабилизаторы. Объясняется это их миниатюрностью и тем, что их можно удобно впаять в любую плату.
В электронике стабилизаторы чаще всего выполняют две основные задачи. В одном случае их используют в качестве прецизионного источника питания. Он способен выдавать с минимальным отклонением именно тот вольтаж, который требуется. Вторая функция – стабилизатор как источник опорного напряжения (Vref).
Тестирование микросхемы
Независимо от роли, которую играет стабилизатор, он должен быть исправным. Для проверки этого электронного компонента потребуются его даташит, по возможности точный мультиметр и блок питания с регулировкой выходного напряжения. Саму деталь лучше выпаять из платы.
Тест проведен на примере LM7805. Из даташита видно, что максимальное входное напряжение (V1), которое можно подать на этот стабилизатор, составляет 35 В. При этом выходной вольтаж (V0) должен ровняться 5 вольт, а пиковый ток Ipk может достигать 2,2 ампер (не путать с максимальным действующим). Ниже описан более подробный тест. При входном напряжении от 8 до 20 В, выходное должно лежать в диапазоне от 4,85 до 5,15 В. Если тестируемый стабилизатор не удовлетворяет этим характеристикам, то он считается неисправным.

Электронная нагрузка с плавной регулировкой тока


Многие могут сказать, что достаточно использовать мощные переменные или постоянные резисторы, автомобильные лампы или попросту нихромовые спирали. У каждого метода есть свои недостатки и преимущества, но главное — при использование этих методов плавной регулировки тока добиться довольно сложно.
Поэтому я собрал для себе электронную нагрузку на операционном усилители LM358 и составном транзисторе КТ827Б с испытанием источников питания напряжением от 3 В до 35В. В этом устройстве ток через нагрузочный элемент стабилизирован, поэтому он практически не подвержен температурному дрейфу и не зависит от напряжения проверяемого источника, что очень удобно при снятии нагрузочных характеристик и проведении других испытаний, особенно длительных.

Материалы:— микросхема LM358;— транзистор КТ827Б (NPN транзистор составной);— резистор 0,1 Ом 5 Вт;— резистор 100 Ом;— резистор 510 Ом;— резистор 1 кОм;— резистор 10 кОм;— переменный резистор 220 кОм;— конденсатор не полярный 0,1 мкФ;— 2 шт конденсатор оксидный 4.7 мкФ х 16В;— конденсатор оксидный 10 мкФ х 50В;— алюминиевый радиатор;— стабильный источник питания 9-12 В.
Инструменты:— паяльник, припой, флюс;— электродрель;— лобзик;— сверла;— метчик М3.
Инструкция по сборке устройства:
Принцип действия. Устройство по принципу работы является источником тока, который управляется напряжением. Мощный составной биполярный транзистор КТ 827Б с током коллектора Iк= 20А, коэффициентом усиления h21э более 750 и максимальной рассеиваемой мощностью 125 Вт является эквивалентом нагрузки. Резистор R1 мощностью 5Вт — датчик тока. Резистором R5 изменяют ток через резистор R2 либо R3 в зависимости от положения переключателя и соответственно напряжение на нем. На операционном усилители LM358 и транзисторе КТ 827Б собран усилитель с отрицательной обратной связью с эмиттера транзистора на инвертирующий вход операционного усилителя. Действие ООС проявляется в том, что напряжение на выходе ОУ вызывает такой ток через транзистор VT1, чтобы напряжение на резисторе R1 было равно напряжению на резисторе R2 (R3). Поэтому резистором R5 регулируют напряжение на резисторе R2 (R3) и соответственно ток через нагрузку (транзистор VT1). Пока ОУ находится в линейном режиме, указанное значение тока через транзистор VT1 не зависит ни от напряжения на его коллекторе, ни от дрейфа параметров транзистора при его разогреве. Цепь R4C4 подавляет самовозбуждение транзистора и обеспечивает его устойчивую работу в линейном режиме. Для питания устройства необходимо напряжение от 9 В до 12 В, которое обязательно должно быть стабильным, поскольку от него зависит стабильность тока нагрузки. Устройство потребляет не более 10 мА.





Но при этом есть риск теплового пробоя полевого транзистора при быстром изменении проходящего тока от 1А до 10А. Скорее всего корпус ТО-220 не способен передать такое количество тепла за столь малое время и закипает изнутри! Ко всему можно добавить, что еще можно нарваться на подделку радиодетали и тогда параметры транзистора будут совсем непредсказуемы! То ли алюминиевый корпус КТ-9 транзистора КТ827!
Возможно проблему можно решить установив параллельно 1-2 таких же транзисторов, но практически я не проверял — отсутствуют в наличии те самые транзисторы IRF3205 в нужном количестве.
Корпус для электронной нагрузки применил от неисправной автомагнитолы. Ручка для переноса устройства присутствует. Снизу установил резиновые ножки для предотвращения скольжения. В качестве ножек использовал крышечки от пузырьков для медицинских препаратов.





Заключение С данной электронной нагрузки я смог выжать порядка 100 Вт при питании 12В, может возможно и более, но проверить нечем. Плавная регулировка тока, минимальный температурный дрейф и независимость от напряжения проверяемого источника позволяет более точно определить характеристики испытуемого источника питания.
Данное устройство подходит для тестирования единичных источников питания, но если подойти с умом к делу, то можно создать на его основе много канальное устройство для проверки, к примеру, компьютерного БП.
Источник
Способы регулирования напряжения и тока
Регулирование напряжение и тока
За счет изменения нагрузки на энергосистему напряжение в электрических сетях не остается постоянным, а подвергается значительным изменениям, при этом величина этих изменений достигает 10-20% номинального значения.
Изменение величины сетевого напряжения вредно сказывается на работе приемников электрической энергии: при повышении напряжения питающей сети на 10% выше номинального срок службы обычных электрических ламп накаливания сокращается примерно в четыре раза; при понижении напряжения на 10 % сила света, излучаемого лампой накаливания, уменьшается на 40%. Повышение напряжения накала мощных радиоламп всего на 1 %, уменьшает их срок службы примерно на 15%.
Колебания сетевого напряжения сказываются и на величине выпрямленного напряжения в выпрямителях, питающих цепи усилительных устройств: понижение напряжения сети вызывает уменьшение величины выпрямленных напряжения, что приводит к уменьшению выходной мощности усилительного устройства и дополнительным искажениям за счет изменения режима работы. В низковольтных выпрямителях, предназначенных для питания ЗЧЛ, снижение сетевого напряжения приводит к недокалу лампы, а, следовательно, к уменьшению светового потока.
Иногда изменение режима питания происходит не только из-за колебаний сетевого напряжения, но и вследствие изменения сопротивления.
Для обеспечения нормального режима питания приемников электрической энергии применяются различные виды регулирующих устройств. Эти устройства можно подразделить на две большие группы:
1) ручные регулирующие устройства;
2) автоматические регулирующие устройства.
Автоматические регулирующие устройства, предназначенные для обеспечения постоянства питающего напряжения, носят название стабилизаторов напряжения, а устройства для автоматического поддержания постоянства тока потребителя называются стабилизаторами тока.
Стабилизаторы сложнее и дороже ручных регулирующих устройств, однако, применение стабилизаторов устраняет необходимость непрерывного наблюдения за режимом работы и обеспечивает заданную точность регулирования без вмешательства человека, что исключает возможность субъективных ошибок, неизбежных при ручном регулировании.
Ручное регулирование в цепях постоянного тока осуществляется с помощью переменных активных сопротивлений (реостатов, делителей напряжения, потенциометров). Активные сопротивления пригодны также и для регулирования в цепях переменного тока. Для ручного регулирования в цепях переменного тока пользуются и переменными индуктивными сопротивлениями, а также различными видами регулировочных трансформаторов и автотрансформаторов. В качестве переменных индуктивных сопротивлений обычно используют дроссели с секционированной обмоткой, дроссели с регулируемым зазором в магнитной цепи и дроссели насыщения с подмагничиванием постоянным током.
Для работы в схемах стабилизаторов используют нелинейные элементы и управляемые приборы. Из числа нелинейных элементов для автоматического регулирования наибольшее распространение получили термосопротивления, кремниевые полупроводниковые стабилитроны и насыщенные дроссели. Из управляемых приборов в схемах стабилизаторов используют электронные лампы, транзисторы, управляемые полупроводниковые диоды, дроссели насыщения и магнитные усилители.
Нам важно ваше мнение! Был ли полезен опубликованный материал? Да | Нет
Источник
Заключение
Произведенный в работе сравнительный анализ способов регулирования последовательного резонансного инвертора позволил сделать вывод, что ЧШИМ обладает наиболее благоприятными режимами коммутации транзисторов, потому что их включение происходит при нулевом начальном токе. Применение ЧШИМ с неполной глубиной модуляции существенно снижает величину коммутируемых токов за счет сужения диапазона регулирования. Таким образом, правильный расчет глубины модуляции позволяет обеспечить максимально благоприятную траекторию переключения транзисторов при требуемом диапазоне регулирования.
Полученные в работе путем расчета по первой гармонике характеристики обладают приемлемой для инженерной практики точностью и могут быть использованы для расчета устройств индукционного нагрева.
